-
-
比例閥控制器PPE/QPE
產品型號:比例閥控制器PPE/QPE
上海臺拓液壓機械有限公司供應比例閥控制器PPE-102,QPE-104
- 產品介紹
- 規格參數
比例閥控制器PPE-102,QPE-104訂購型號
型號 所搭配的比例閥 線圈電流A 重量Kg 比例閥控制器型號 PPG-02
3.7A 0.25 PPE-102 QPG-03 
3.7A 0.25 QPE-104 比例閥控制器PPE-102,QPE-104特性表
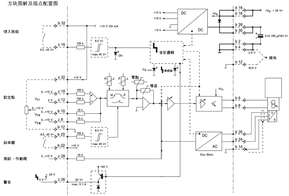
印刷電路板版式 (100X160X約35)mm(wX1Xh)歐洲格式前段面板(7疊加空間) 插頭連接器 DIN 41 612-F 32 允許環境溫度 0℃~+70℃ 存儲溫度最小-20℃最大+70℃ 電源供應UB對b 16/b 18和b 28/b 30-b2/b 4 24VDC額定電池電壓21~40V 整流AC電壓Urms=21~28V(單相,全波整流) 平穩性電容器對b 28/b 30-b 2/b 4 4700μF,63V(ELKO)在波動>10% 電磁線圈 2.7A/25W 3.7A/50W 功率消耗 max.35W max.60W 電流量 max.1.5A max.2.5A 電磁線圈輸出b 6-b 8 方形-波動電壓 脈沖-調整
lmax=2.7Almax=3.7A 設定點 Ue:0~+10V(z 10) 0V(z 12)
Ueμ:0~+10V Uem:0~+10V訊號源(設定點) 電位計 R=1kΩ +10V由b 32(10mA)或外部訊號源供應 回饋實際值 Osci b 26 Testp.z 28* PPG-102 10.8Vrms/7.8KHz 0~+10V= QPE-104 10.8Vrms/7.8KHz 0~+10V= 切入致能輸出段 在z 16,U=8.5~40V;即10V從z 32
在前端面板亮起綠燈斜率關斷 在b 20,U=8.5~40V 電線長度與橫截面 電磁電線:<20m 1.5mm2 20~50m 2.5mm2
位置傳感器:max.50m 在100pF/M 電源供應和電容器1.5mm2LED認證顯示 綠:切入致能ON 黃:實際值電線的開放回路
黃:斜率關斷OFF 紅:Ub<Ub min.(約21V)故障指示:-實際值電線的開放回路 -UB太低 -±15V穩定性 z 26:繼電器輸出 沒故障+24V(最大100mA) 有故障0V 防止輸出短路 輸出段到電磁線圈 訊號到位置檢測器 電位計供電 特性 實際值電纜的開發回路監督 帶PID作動的位置監控
打卡鐘式輸出段 用于快速操作時間之緊急放電及充電經由所配電位計調器 1.零點調整 2.增益調整 3.加速斜率 4.制動斜率 警告:功率零點b 2和控制零點b 12必須銜接。功率供應到DIN插頭的距離要小于1m。在較長距離的情況下,連接控制零點要單獨接地。 備注:
1、*0V在1m=0V(切入致能關斷OFF);+10V在1m=max.(UE=10v,電位計=cw)。
2、斜率使用注意事項:斜率ON,若b20無信號;斜率OFF,8.540V對b 20和b 20;斜率關OFF或開OPEN,當回路在操作進行時,會出現一個不連貫的過度信號輸出值。外形圖片:
比例閥控制器PPE-102,QPE-104前端面板
比例閥控制器PPE-102,QPE-104方塊圖解及端點配置圖
